简易电源通断周期性控制电路
发布时间 2009-05-13
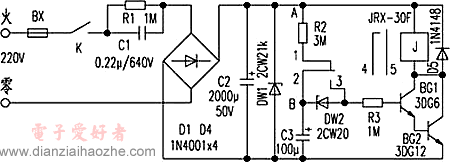
在某些场合我们需要对电源进行周期性的通断开关控制,比如电风扇的阵风控制、鱼缸充氧机的间歇控制等。实现这些控制功能一般都有专门的控制电路甚至是集成电路,本文介绍的这个电路很简单,根据RC时间常数原理由几个晶体管和继电器来实现些功能,当然,该电路实现这一功能的精度是有限的。电路如下:

工作原理:电中前级是阻容降压电路,在稳压二极管DW1(2CW21K)上产生约20V的直流电压。这一电压经电阻R2、继电器常闭接点1、2对电容C3充电。当C3两端电压被充至约16V时,稳压管DW2(2CW20)击穿,三极管BG1、BG2随即饱和导通,继电器吸合,其接点4、5接通被控制电器的电源。同时电容C3上的电压通过继电器常开接点2、3和电阻R3以及两只三极管BE结放电,维持BG1、BG2基极电流而持续导通,继电器J仍继续吸合,被控制电路继续工作。
当C3两端电压下降到不足以维持BG1、BG2导通时,两只三极管截止。继而继电器J也释放,其接点4、5断开,被控制电器停止工作。同时继电器常闭接点1、2复位接通,又对电容C3进行第二次充电。如此循环,达到周期性控制电源通断的目的。
该电路的时间常数即继电器通断时间由电阻R2、R3和电容C3决定,可根据实际应用来取值。不难看出,经适当取值减小时间常数后,该电路可控制白炽灯用做信号灯等。举一反三,简单的电路也是可以实现很多功能的。
