TDA1554芯片22瓦音频放大器
来源 免费电路
发布时间 2013-11-12
TDA1554芯片22瓦音频放大器电路
22瓦的放大器是很容易建立,而且非常便宜。该电路可用于在一个汽车音响系统,在环绕声或家庭影院系统的卫星扬声器的放大器,或作为计算机扬声器的放大器。该电路是相当紧凑,并只使用约60瓦。
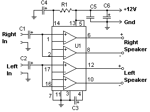
电路图

零件
R1 39K 1/4瓦的电阻
C1,C2 10UF 25V电解电容
C3 100UF 25V电解电容
C4 47UF 25V电解电容
C5 0.1uF的25V陶瓷电容器
C6 2200UF 25V电解电容
U1 TDA1554双通道音频放大器芯片
笔记
1。 该电路最好使用4欧姆扬声器,但8欧姆扬声器也可以。
2。 电路功耗约28瓦并产生热量,所以一个良好的散热片是必要的。TDA1554芯片需要安装适当的散热片。
3。 电路工作在全功率约5安培12伏特。
4。 印刷电路板是首选,但直接焊接或万用电路板也可以做。保持引线长度尽量短。
