CW7900,CW1468/1568,CW1469/1569与CW1463/1563系列电源IC应用电路
发布时间 2009-06-18
CW7900构成的固定正输出电压集成稳压电源电路

CW7900构成的固定负输出电压集成稳压电源电路

CW7900构成的大容性负载时,保护输入端短路的固定负输出集成稳压电源电路

CW1468/1568多端固定对称稳压器

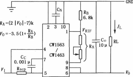
CW1469/1569与CW1463/1563系列多端可调稳压器

CW7900构成的固定正输出电压集成稳压电源电路

CW7900构成的固定负输出电压集成稳压电源电路

CW7900构成的大容性负载时,保护输入端短路的固定负输出集成稳压电源电路

CW1468/1568多端固定对称稳压器

CW1469/1569与CW1463/1563系列多端可调稳压器
