电容ESR表(二) 电容ESR表的设计、制作、调试
5 整机制作及使用

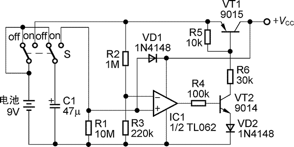
图24 数字万用表中常见的自动关机电路

图25 特性欠佳的简易式自动关机电路
一、整机装嵌
电容ESR表是以MF500指针万用表为基础进行改装的。由于是单次制作,又为了方便调试时更换元件、改变电路,主电路板采用了俗称“洞洞”板的PCB进行搭焊。ESR表电路的大部分元件都装在这块“洞洞板”上,其中,运放IC均使用插座,体积硕大的1μF/400V电容作横卧式安装,用尼龙扎带绑牢。
当完成主电路板的调试后,剩下的装制工作就比较简单。一是将表头取下,小心地在刻度板上钻孔,然后安装LED电源指示灯。二是将主电路板固定在万用表内。三是利用MF500原有的PCB,拆除上面的所有元件,接好表头电路以及电源开关。四是接好主电路板、电源LED、表笔插座、表头电路、电源开关和电池仓等的接线。
装制时,笔者利用原表的右侧挡位开关作电源开关。电源开关的ON位置是并联了原X1、X10、X100、X1k、X10k挡位所用的多个触点,OFF位置则使用原来的“·”挡位(关闭挡位)触点。这样,就有了开机的冗余功能,只要将MF500万用表右侧的开关打至X1、X10、X100、X1k、X10k 之中的任一挡位,即可开机。将挡位开关打至“·”挡位,即为关机。MF500万用表其他挡位(包括左侧的挡位开关)则闲置不用。
为方便日后了解这个ESR表的使用,笔者还做了一些标识工作。一是打印“电容ESR表”的纸条,裁好后贴在表头的刻度板空白处。二是打印ESR表的主要参数和帮助判断电容好坏的ESR参考极限值表,贴在表的背面。并喷上透明漆,以增强防水性和提高使用寿命。
ESR表的具体装制情况,可从图26中一览端倪。
图26 (1)〜(7)ESR表的装制情况
完工的电容ESR表正面照
刻度板右上角加装电源指示灯LED 自制ESR表的内部
左上角已装LED但表内未装主电路板 已安装好的主电路板
电路核心集中在主电路板的左侧 原表内PCB的改装
图26 (8)〜(10)ESR表的装制情况
设有电池仓的底盖 已贴纸并喷上透明漆的后面板 维修示波器时换下的贴片电解电容
二、性能参数及使用
电容ESR表装好后,笔者重点进行了两项检查。一是用精度较高的金属膜电阻进行误差的评估。得到的结果是大概值,因所用的金属膜电阻高频特性未明。二是直接测量二极管(包括锗二极管)、BJT(即三极管)、MOSFET 、JFET、晶闸管(即可控硅),看一看指针有没有摆动,以此判断在路测量电容时半导体器件会不会带来影响。检查证明,除JFET外都完全符合在路测量的设计要求。当JFET在接成有源开关导通的形式(比如,S极与G极短路)时,指针会摆动,其中2SK246的指示值约500Ω,Gm较大的2SK170指示值约50Ω。如果JFET三脚悬空,测量任意两脚,指针也不会摆动。由于JFET的应用场合少,也极少作为执行器件来使用,因此,对于电容ESR表的在路测量来说,不会带来多少限制。
综合设计调试和检查所得,笔者制作的电容ESR表的主要参数和使用特点如表6所示。
实际使用电容ESR表时,需要对被测电容的ESR值正常与否作出判断。国外网友总结了不少经验,给出一些参考数据,可供我们应用。表7所示的是一个比较简明的参考表。测量得到的普通电解电容ESR值,如果接近或超出表中的极限值,可以认为此电容已出问题。如果远低于极限值,比如只有1/10,则可以认为没有问题。如果处于中间区域,则存疑。使用者适应一段时间后,就可以用ESR表来快速检测电解电容了。
须注意的是,表中给出的仅是用于判断普通电解电容的数据,也没有列明耐压规格。对于正常的电解电容,低ESR型的典型ESR值比普通型要低得多,后者往往是前者的数倍至数十倍。对于同一品种的正常电容,耐压规格不同,ESR值也不同,耐压高的电容ESR值更小。
制作完成后,笔者对之前维修Tektronix的TDS420数字示波器时成批拆下的30多只贴片电解电容进行了一次复测。当时发现这批贴片电解电容(主要有33μF/10V和10μF/35V两种)有一部分出现电解液渗漏,因此将全部30多只更换。实际只复测了10多只,竟发现其中40%的ESR值有问题,有二三只还高达500Ω。
此电容ESR表主要用于1μF以上电解电容的检测。由于显示数值范围较宽,也可以辅助检测非电解电容,以及容量不是太小的电容,比如0.01μF以上的电解电容、陶瓷电容和薄膜电容等。对于新购的电容或手头的旧电容,也可用它来进行辅助性的质量判断,如果能查到其100kHz阻抗参数,判断就更为准确。使用前,应先进行欧姆调零,即是将两支表笔短路,调节面板上的欧姆调零电位器旋钮,让指针指向0Ω刻度。然后用表笔分别接触电容的两个引脚,即可进行测量。因测试信号是交流信号,测量时不用区分表笔的正、负极。使用过程中,如遇到ESR表自动关机(LED指示灯熄灭),则将电源开关打至OFF位置,再打回至 ON位置,即可继续使用。
| 上一页12345678下一页 | 










