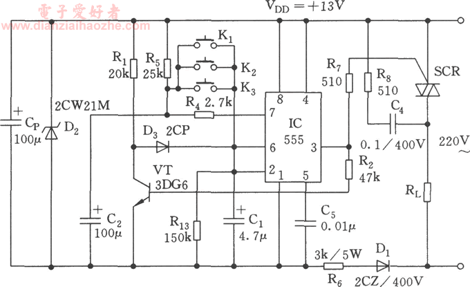
该多点控制电子开关可实现对电器设备的多地点控制,其电路如图所示,电路包括降压整流电路、双稳态触发电路和可控硅控制电路。
降压整流电路为控制器提供13V的直流电压。555和R5、R4、R13、C1、C2等组成双稳触发电路。刚接通电源时,由于C1上电压不能突变,使555置位,C2通过R5充电至l2V。此时若按一下K1(K2或Ks),则C1很快充电至2/3 VDD=8V,555复位,3脚转呈低电平,SCR截止。同时,VT截止,555的6脚呈高电平,使555处于稳定的复位状态。如再按一下K1(K2或 Ks),又使555处于置位状态。如此控制K,可实现对电器的开、关控制。
