绕线机电子计数器电路图
发布时间 2009-03-04
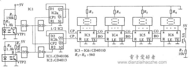
具有加减功能的绕线机电子计数器电路图
点击可以放大
CD40106 六反相器(有施密特触发器);双列14脚封装;工作电压范围:-0.5V~+18V
CD4013 双D触发器,双列14脚封装;工作电压范围:-0.5~+18V
CD40110 十进制加减计数/译码/锁存/驱动器;双列16脚封装;工作电压范围:-0.5V~+18V
具有加减功能的绕线机电子计数器电路图
点击可以放大
CD40106 六反相器(有施密特触发器);双列14脚封装;工作电压范围:-0.5V~+18V
CD4013 双D触发器,双列14脚封装;工作电压范围:-0.5~+18V
CD40110 十进制加减计数/译码/锁存/驱动器;双列16脚封装;工作电压范围:-0.5V~+18V