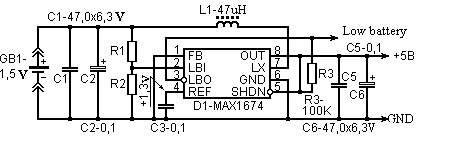
MAX1676 1.5V到5V升压转换器
在许多情况下可以很方便的能够将1.5V转换到5V。这样,你可以采用单节五号电池或七号电池为低功耗微处理器或LED指示灯供电。它是简单的做到这一点,因为有特殊的集成电路,MAXIM MAX1674或MAX1676。这是升压型DC-DC转换器,可以将0.7V到任何范围的电压转换为2V到5.5V电压。MAX1676已经预置引脚为3.3V和5V,这使得集成在3.3和5V的电路。IC可以消耗高达444MW。

MAX1674最大输出电流300mA,输出功率为1.5W。可以说,效率是100%,那么从电池吸取的功率将是1.5W。在1.5V的电压,这将是1A电流。不是所有的电池可以驱动这样的电流。其他重要的部分是电感。对于这个电路需要的电感,如果电流超过300mA,那么电感器47uH;如果电流超过120毫安,那么电感器22uH;如果电流超过70毫安,那么电感器10uH。


MAX1676集成电路
主要用途:升压型高效DC-DC转换器
简单描述:在某些特殊的数字电路中,往往要求工作电压只能为直流5V。而作为后备电源的电池,由于受体积、容量、价格的限制,电压大多低于3.6V。这样,要保证系统的连续工作,就需将小于3.6V的电池电压提升为系统工作电压,并适时地对电池补充能量(充电)。升压型DC-DC转换器MAX1676即是解决上述两方面问题的理想器件,它可广泛应用于无绳电话、医疗器械、便携式仪器仪表等电子产品中。
1
2
3
4
5
6
7
8
9
10
FB
LBI
LBO
CLSEL
REF
SHDN
BATT
GND
LX
OUT
反馈输入端
电池电压比较器检测输入端
电池电压比较器检测输出端
峰值电流选择端
1.3V基准输出,可提供100μA电流
转换开关控制端
衰减开关输入端
电源地
直流输入端
直流输出端
主要特点:
具有升压功能和电池欠压检测功能,可实现对电池充电的实时控制。
比MAX1674/MAX1675更具有峰值电流可选、低噪声、抗干扰能力强等特点。
集低静态电流、高转换效率和超小型封装于一身。
静态工作电流为16μA。
输出电流200mA时,效率可达94%。
采用10-μMAX封装形式。
输出电压(Vout)灵活,在2~5.5V可调。
输入电压范围宽:0.7V~Vout。
启动电压低:仅为0.9V。
带有逻辑控制的关断端,关断电流为0.1μA。
