TDA16846工作原理
TDA16846是开关式电源控制集成IC,支持低功率待机模式,并具备功率因数修正功能。
TDA16846低功耗/稳定和可调节的待机频率/很低的启动电流/软启动功能。
TDA16846可工作于同步方式或固定频率方式。
TDA16846内含一系列的比较器/保护电路/控制电路。为了在轻负载时提供低的功耗,IC 会随着负载的降低不断地减少开关频率,最低可处于待机模式的20KHZ;为了避免电源工作时的开关冲击,外接的开关管总是在最低的电压下进行切换;有供电过压保护、欠压保护、电网过压保护、限流保护等等;通过内部误差放大器或者外接的光耦取样可进行稳压控制;开关管可采用MOSFET (金属氧化物半导体场效应晶体管),也可采用双极型的功率晶体管。
TDA16846引脚功能说明
|
1 |
OTC Off Time Circuit | 关断时间电路 |
|
2 |
PCS Primary Current Simulation | 初级电流模拟输入 |
|
3 |
RZI Regulation and Zero Crossing Input | 过零检测与调整输入 |
|
4 |
SRC Soft-Start and Regulation Capacitor | 软启动与调整电容 |
|
5 |
OCI Opto Coupler Input | 光耦输入 |
|
6 |
FC2 Fault Comparator 2 | 故障比较器 2 |
|
7 |
SYN Synchronization Input | 同步输入 |
|
8 |
N . C Not Connected | 空脚 |
|
9 |
REF Reference Voltage and Current | 参考电压和电流 |
|
10 |
FC1 Fault Comparator 1 | 故障比较器 1 |
|
11 |
PVC Primary Voltage Check | 初级电压检测 |
|
12 |
GND Ground | 地 |
|
13 |
OUT Output | 开关脉冲输出 |
|
14 |
VCC Supply Voltage | 供电 |
注:TDA16846(8)脚为空脚。而TDA16847 多了一个附加的功能,其(8)脚为PMO(Power measurement Output)功率检测输出,可用于暂时的高功率电路。
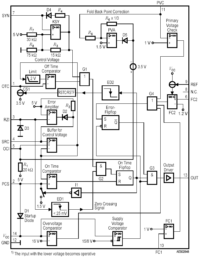
TDA16846内部框图

图1 TDA16846内部功能方框图
英文注释:
Fold Back Point Correction 反馈点校正;PVA 初级电压放大器;Primary Voltage Check 初级电压检测;Control Voltage控制电压;Limit限制;Off Time Comparator关断时间比较器;RSTC/RSTF振铃抑制时间电路;Error Amplifier 误差放大器;Error Flipflop 错误触发器;Buffer for Control Voltage 控制电压缓冲器;On Time Comparator导通时间比较器;On Time Flipflop导通时间触发器;Output Driver 输出驱动器;Zero Crossing Signal 过零信号;Startup Diode 启动二极管;Overvoltage Comparator 过压比较器;Supply Voltage Comparator供电比较器。
TDA16846应用基础知识

输入为A 和B,输出C=A+B。 输入为A 和B,输出C=A*B。当输入都为低电平时,输出当输入都为高电平时,输出才为低电平;只要有一个输才为高电平;只要有一个输入为高电平,输出就为高电平 入为低电平,输出就为低电平
PIN 14:VCC 供电脚
图2
图3
图2为启动电路;图3为启动电压过程图,图中Von和Voff为供电比较器的上门限和下门限,Startup启动,Operation正常工作
启动过程 开机后,整流滤波后的300V电压,经R2,从IC(2)初级电流模拟输入脚进入,内部二极管D1导通,对 IC(14)供电脚外接电容C14 进行充电。当V14小于供电比较器SVC 的上门限15V 时,输出电流I14小于100 μA,IC 不启动,IC(13)驱动输出脚和(4)控制输出脚处于低电位,开关管截止;当V14超过供电比较器SVC 的上门限15V 时,SVC 输出高电平,TDA16846 开始启动,I14 迅速增加,启动后(2)脚电压将会降低,D1 截止,于是IC(14)供电脚电压将由变压器次级绕组产生的电压通过外部D14 整流后提供。厂家推荐在该脚外接的电解电容并联一个小容量的缓冲电容,比如100nF。
保护功能(见图1,即内部框图) l 该脚电压大于16V时,内部的过压比较器OVC输出高电平,经或门G4输出高电平,接到错误触发器的输入S 端,再由错误触发器Q 非端输出低电平到与门G3,最后G3 输出低电平经输出驱动器给IC (13)脚,故开关管截止,所以(14)脚具有诸如负反馈失效,振荡过强,次级电压的过压保护。 l 该脚电压小于8V 时,供电比较器SVC 输出低电平给与门G3,由与门输出低电平经输出驱动器给IC (13)脚,故开关管截止,所以(14)脚能对振荡过弱、输出电压过低,诸如负载短路起保护作用。
PIN 2:初级电流模拟输入及过流限制脚

图4
该脚电压与开关管的电流成正比,外接电阻R2 和电容C2(见图2),V2=1.5V+Lprimary*Iprimary/R2*C2。(Lprimary为变压器的初级绕组的电感量,Iprimary 为开关管的初级电流)。On Time Comparator 导通时间比较器-端为控制电压,该电压的最大值为IC内部的参考电压5V,开关管的最大初级电流为IMprimary=3.5V*R2*C2/ Lprimary,IC 内部误差放大器、第(5)脚外接光耦调整输入或者第(11)脚反馈点校正电压都可以对控制电压进行控制,从而控制开关管的导通时间。
当On Time Flipflop 导通时间触发器Q端输出高电平时,经I1 反相器后变为低电平,1.5V切换开关截止, 300V 通过R2对(2)脚外接C2 充电,即On Time Comparator 导通时间比较器+端被充电,当其正端大于负端(负端为控制电压:5V 左右)时,比较器输出高电平接到On Time Flipflop 导通时间触发器的R 端,最后使得On Time Flipflop 导通时间触发器Q 端由原先的高电平1 变为低电平0(过程如上图箭头标示), 所以C2 被充电到大于控制电压的时间长短和控制电压的大小决定了开关管的导通时间;
当On Time Flipflop 导通时间触发器Q端输出低电平时,经I1 反相器后变为高电平,1.5V切换开关导通,(2)脚外接C2 被放电至1.5V,即On Time Comparator 导通时间比较器正端被放电,当其正端小于负端(负端为控制电压:5V 左右)时,比较器输出低电位接到On Time Flipflop 导通时间触发器的R端,最后使得 On Time Flipflop 导通时间触发器Q 端由原先的低电平0 变为高电平1。如此TDA16846 正常工作时,On Time Flipflop 导通时间触发器Q 端一直处于高低电平的变换过程,从而控制了与门G3 的输出,再经Output Driver 输出驱动器放大,最后由(13)脚输出高低电平变化的开关脉冲给开关管.
PIN 11:初级电压检测脚 该脚电压一般由300V 直流电压分压得到,可用于对电网电压的检测,配合图1,即内部方框图分析如下。
电网欠压保护:当该脚电压小于1V 时,Primary Voltage Check 初级电压检测器输出高电平,经或门G4 输出高电平,接到错误触发器的输入S端,再由错误触发器Q非端输出低电平到与门G3,最后G3 输出低电平经输出驱动器给IC(13)脚,故开关管截止。
电网过压保护:当该脚电压大于1.5V 时,Fold Back Point Correction 反馈点校正器输出低电平,D5 正向导通,控制电压将减小,开关管的导通时间减少,开关电源输出电压降低,所以实际上是以过流保护的形式实现了对电网电压的过压保护。电源最大初级电流为IMprimary=(4V-V11/3)R2*C2/ Lprimary。
| 12下一页 |
