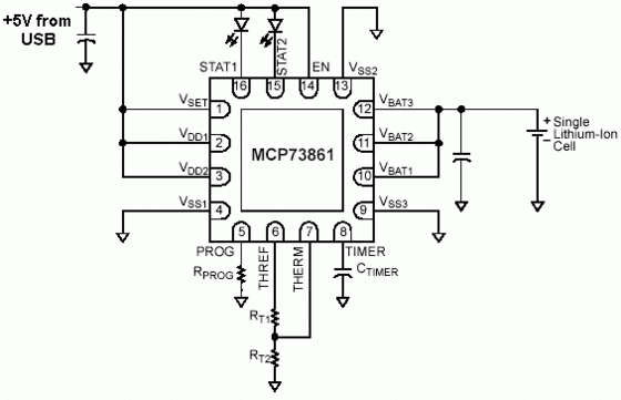
MCP73861 USB锂电池充电器
来源 电子DIY
发布时间 2014-05-20
这是一个锂离子电池充电器,其电源采用从计算机的USB端口。它采用Microchip公司生产的MCP73861和MCP73863锂离子电池充电器芯片。MCP73861和MCP73863是先进的,完全集成的单节锂聚合物充电管理器件允许这些外围设备利用USB端口的全部能量。

锂离子电池有不同的类型 - 单电池,双电池,焦炭阳极,石墨阳极等,每种类型都有被充电到一个特定的电压。过低的电压导致未被充满电,其结果是对电池的全部容量没有被利用。
在电池充电时,即使过压0.1V,也可能导致电池损坏。这意味着它可以爆炸,着火,并有可能造成人身伤害。
该芯片的参数表得到有关配置芯片,以配合不同类型的电池的信息,并且是在使用该芯片的基本文件。
线性充电管理控制器MCP73861和MCP73863
- 内部集成了晶体管
- 内部集成了电流检测
- 反向阻断保护
- 高精度预置电压调节:+ 0.5%
- 四种预置电压调节选项:4.1V,4.2V(MCP73861);8.2V,8.4V(MCP73862)
- 可编程充电电流:最大1.2A
- 可编程安全充电定时器
- 对深度放电的电池进行预充
- 自动的充电结束控制
- 可选择对电池温度进行持续监视
- 充电状态直接输出到LED
- 故障直接输出到LED
- 自动关断电源
- 热调节
- 温度范围:-40°C至85°C
- 封装:16引脚,4 x 4QFN,16引脚SOIC(仅MCP73861)
